电器维修基本方法(入门必学)
电器维修是无线电专业的最基本应用,也是本学科最具实用价值的方面。每个爱好无线电的人,平时必定会搞些维修方面的工作,最起码的就是修理自己身边电器的小故障。
但是,常听到一些同志说,“我基础知识不好,这些东西还不懂,怎么去维修呢?”其实,许多日常的维修工作并不需要很高深的理论去支持,只要具备基本知识即可胜任有余。例如说,一台收录机全无反应(用交流供电时),用直流电(电池)接上一试,正常工作。这么一试,便可得知交流电源供电电路部分有故障。再用万用表一量,变压器开路了。换上新品,通电试机,一切正常。这么简单的维修可以说是人人都行,只是我们有些同学一直懒于去做,不肯动手。导致他们不肯去干的原因是多方面的,其中很重要的一个就是,他们觉得自己不懂得理论,电路出了故障不知怎么去查找。而事实上,由于科技的进步,制造水平的不断提高,产品质量也不断提高,电器发生严重故障的机会已是很小,大量的都是使用不当而引起的系统故障,接触不良,保险丝熔断等小毛病,有些根本不用修,调几下就可以复原。
既然我们知道,电器发生大故障的机会并不多,那么在电器有故障时我们大可不必惊慌,只要细心观察,加以分析,再测试确诊,在许多情况下都可以排除故障。
另外,由于电路的系统性(即电路由一个个功能模块组成),当某一功能模块出现故障时,我们就只需专心研究这一部分即可,而不必对之全盘理解后才去修它。
但话又得说回来,作为一名维修人员,懂理论于否是很重要的,我们说重视动手实践并不代表就可以完全不要理论。毕竟,在理论指导下的实践会有效得多。因此,我们也应当努力学习电路理论知识,无论是从课本还是课外书,尽力使自己向着既具备理论知识,又有实际能力的目标迈进。
希望大家看完本文之后,都能够排除顾虑,自己动手。
在这里将会介绍基本维修电器方法,检修方法是检修工作的基本功之一,为了初学者对检修概况所了解,本章介绍几种检修方法,如有费解之处可暂时搁置,在后续实验制作中逐步掌握。这些方法并不是一成不变,而应针对电器的故障灵活地运用,才能收到好的效果。
常用的检测方法
(一)、直观法
1.原理
直观法是通过人的眼睛或其它感觉器官去发现故障、排除故障的一种检修方法。
2.应用
直观法是最基本的检查故障的方法之一,实施过程应坚持先简单后复杂、先外面后里面的原则。实际操作时,首先面临的是如何打开机壳的问题,其次是对拆开的电器内的各式各样的电子元器件的形状、名称、代表字母、电路符号和功能都能一一对上号。即能准确地识别电子元器件。作为直观法主要有两个方面的检查内容:其一是对实物的观察;其二是对图像的观察。前者适合于各种检修场合,后者主要用于有图像的视频设备,如电视机等。
直观法检修时,主要分成以下三个步骤:
(1)打开机壳之前的检查:观察电器的外表,看有无碰伤痕迹,机器上的按键、插口、电器设备的连线有元损坏等。
(2)打开机壳后的检查:观察线路板及机内各种装置,看保险丝是否熔断;元器件有无相碰、断线;电阻有无烧焦、变色;电解电容器有无漏液、裂胀及变形;印刷电路板上的铜箔和焊点是否良好,有无已被他人修整、焊接的痕迹等,在机内观察时,可用手拨动一些元器件、零部件,以便直观法充分检查。
(3)通电后的检查:这时眼要看电器内部有无打火、冒烟现象;耳要听电器内部有无异常声音;鼻要闻电器内部有无炼焦味;手要摸一些管子、集成电路等是否烫手,如有异常发热现象,应立即关机。
3.几点说明
(1)直观法的特点是十分简便,不需要其它仪器,对检修电器的一般性故障及损坏型故障很有效果。
(2)直观法检测的综合性较强,它是同检修人员的经验、理论知识和专业技能等紧密结合起来的,要运用自如,需要大量地实践,才能熟练地掌握。
(3)直观法检测往往贯穿在整个修理的全过程,与其他检测方法配合使用时效果更好。
(二)、电阻法
1.原理
电阻法是利用万用表欧姆档测量电器的集成电路、晶体管各脚和各单元电路的对地电阻值,以及各元器件自身的电阻值来判断故障的一种检修方法。
2.应用
电阻法是检修故障的最基本的方法之一。一般而言,电阻法有"在线"电阻测量和"脱焊"电阻测量两种方法。
"在线"电阻测量,由于被测元器件接在整个电路中,所以万用表所测得的阻值受到其它并联支路的影响,在分析测试结果时应给予考虑,以免误判。正常所测的阻值会比元器件的实标标注阻值相等或小,不可能存在大于实标标注阻值,若是,则所测的元器件存在故障。
"脱焊"电阻测量,由于被测元器件一端或将整个元器件从印刷电路板上脱焊下来,再用万用表电阻的一种方法,这种方法操作起来较烦,但测量的结果却准确、可靠。
(1)开关件检测
各种电器中的开关组件很多,测量它们的接触电阻和断开电阻是判断开关组件质量好坏是最常用的手段。在线电阻测量开关的接触电阻应小于0.5Ω,否则为接触不良。断开电阻一般应大于几千欧为正常。
(2)元器件质量检测
电阻法可以判断电阻、电容、电感线圈、晶体管的质量好坏。
电阻法操作时,一般是先测试在线电阻的阻值。测得各元器件阻值后,万用表的红、黑表棒要互换一次后,再测试一次阻值。这样做可排除外电路网络对测量结果的干扰。两次测试阻值的结果要分析做参考用。对重点怀疑的元器件可脱焊进一步检测。
(3)接插件的通断检测
电器内部的接插件很多,如:耳机插座、电源转换插座、线路板上的各式各样的接插组件等,均可用电阻法测试其好坏。如:对圆孔型插座可通过插头插入与拨出来检测接触电阻。对其他接插组件检测时,可通过摆动接插件来测其接触电阻,若阻值大小不定,说明有接触不良故障。
几点说明
(1)电阻法对检修开路或短路性故障十分有效。检测中,往往先采用在线测方式,在发现问题后,可将元器件拆下后再检测。
(2)在线测试一定要在断电情况下进行,否则测得结果不准确,还会损伤、损坏万用表。
(3)在检测一些低电压(如5V、3V)供电的集成电路时,不要用万用表的R×10k档,以免损坏集成电路。
(4)电阻法在线测试元器件质量好坏时,万用表的红黑表棒要互换测试,尽量避免外电路对测量结果的影响。
(三)、电压法
1.原理
电压法是通过测量电子线路或元器件的工作电压并与正常值进行比较来判断故障的一种检测方法。
2.应用
电压法检测是所有检测手段中最基本、最常用的方法。经常测试的电压是各级电源电压、晶体管的各极电压以及集成块各脚电压等。一般而言,测得电压的结果是反映电器工作状态是否正常的重要依据。电压偏离正常值较大的地方,往往是故障所在的部位。
电压法可分为直流电压检测和交流电压检测两种。
(1)交流电压的检测
一般电器的电路中,因市电交流回路较少,相对而言电路不复杂,测量时较简单。一般可用万用表的交流500V电压档测电源变压器的初级端,这时应用220V电压,若没有,故障可能是保险丝熔断,电源线及插头有损坏。若交流电压正常,可测电源变压器次级端,看是否有低压,若无低压,则可能是初级端,这时应用220V电压,若没有,故障可能是保险丝熔断,电源线及插头有损坏。若交流电压正常,可测电源变压器次级端,看是否有低压,若无低压,则可能是初级线圈开路性故障较大。而次级开路性故障很小,因为次级电压低,线圈烧断的可能性不大。电压法检测中,要养成单手操作习惯,测高压时,要注意人身安全。
(2)直流电压的检测
对直流电压的检测,首先从整流电路、稳压电路的输出输入手,根据测得的输出端电压高低来进一步判断哪一部分电路或某个元器件有故障。
对测量放大器每一级电路电压,首先应人该级电源电路元器件着手,通常电压过高或过低均说明电路有故障。
直流电压法还可检测集成电路的各脚工作电压。这时要根据维修资料提供的数据与实测值比较来确定集成电路的好坏。
在无维修资料时,平时积累经验是很重要的。如:收录机按下放音键时,空载的直流工作电压比加载时要高出几伏。一般电器整机的直流工作电压等于功放集成电路的工作电压。电解电容的两端电压,正极高于负极。这些经验对检测及判断带来方便。
3.几点说明
(1)通常检测交流电压和直流电压可直接用万用表测量,但要注意万用表的量程和档位的选择。
(2)电压测量是并联测量,要养成单手操作习惯,测量过程中必须精力集中,以免万用表笔将两个焊点短路。
(3)在电器内有多于1根地线时,要注意找对地线后再测量。
(四)、电流法
1、原理
电流法是通过检测晶体管、集成电路的工作电流,各局部的电流和电源的负载电流来判断电器故障的一种检修方法。
2.应用
电流法检测电子线路时,可以迅速找出晶体管发热、电源变压器等元器件发热的原因,也是检测各管子和集成电路工作状态的常用手段。电流法检测时,常需要断开电路。把万用表串入电路,这一步实现起来较麻烦。但遇到电路烧保险丝或局部电路有短路时,采用电流法测试结果比较说明问题
电流法检测可分直接测量法和间接测量法两种。
电流法的间接测量实际上是用测电压来换算电流或用特殊的方法来估算电流的大小。欲测晶体管该级电流时,可以通过测量其集电极或发射极上串联电阻上的压降换算出电流值。
这种方法的好处是无需在印刷电路板上制造测量口。另外有些电器在关键电路上设置了温度保险电阻。通过测量这类电阻上的电压降,再应用欧姆定律,可估算出各电路中负载的电流的大小。若某路温度保险电阻烧断,可直接用万用表的电流档测电流大小,来判断故障原因。
3.几点说明
(1)遇到电器烧保险或局部电路有短路时,采用电流法检测效果明显。
(2)电流是串联测量,而电压是并联测量,实际操作时往往先采用电压法测量,在必要时才进行电流法检测。
(五)、代换试验法
1.原理
代换试验法是用规格相同、性能良好的元器件或电路,代替故障电器上某个被怀疑而又不便测量的元器件或电路,从而来判断故障的一种检测方法。
2.应用
代换试验法在确定故障原因时准确性为百分之百,但操作时比较麻烦,有时很困难,对线路板有一定的损伤。所以使用代换试验法要根据电器故障具体情况,以及检修者现有的备件和代换的难易程度而定。应该注意,在代换元器件或电路的过程中,连接要正确可靠,不要损坏周围其它元件,这样才能正确地判断故障,提高检修速度,而又避免人为造成故障。
操作中,如怀疑两个引脚的元器件开路时,可不必拆下它们,而是在线路板这个元器件引脚上再焊上一个同规格的元器件,焊好后故障消失,证明被怀疑的元器件是开路。
当怀疑某个电容器的容量减小时,也可以采用上述直接并联的方式。
当代换局部电路时,如怀疑某一级放大器有故障,可将此级放大器输出端断开,另找一台同型号或同类工作正常的机器,在同样的部位断开,将好的机器断开点之前工作正常。再将断开点移至所怀疑这及放大器的输入端,再作上述代换试验,若此时故障出现,则说明怀疑是正确的,否则可排除怀疑对象。以上这种代换检测尤其适合于双声道音响的疑难故障的修理,因为双声道电器的左、右声道电路是完全一样的,这为交叉代换带来方便。
3.几点说明
(1)严禁大面积地采用代换试验法,胡乱取代。这不仅不能达到修好电器的目的,甚至会进一步扩大故障的范围。
(2)代换试验法一般是在其他检测方法运用后,对某个元器件有重大怀疑时才采用。
(3)当所要代替的元器件在机器底部时,也要慎重使用代换试验法,若必须采用时,应充分拆卸,使元器件暴露在外,有足够大的操作空间,便于代换处理。
(六)、示波器法
1.原理
示波器法是利用示波器跟踪观察信号通路各测试点,根据波形的有无、大小和是否失真来判断故障的一种检修方法。
2.应用
示波器法的特点在于直观、迅速有效。有些高级示波器还具有测量电子元器件的功能,为检测提供了十分方便的手段。
(1)A类晶体管放大器的波形测试
为保证A类放大器无失真输出,其晶体管基极偏置电阻Rb的集电极电阻Re必须选择得合适,否则输出端会产生波形失真。示波器法可方便地观察出其波形失真与否。
(2)B源晶体管放大器的波形测试
B类推挽放大器偏置在截止区,没有信号时静态电流很小。但由于集电极电流的非线性,在信号振幅通过零点并从一个管到另一个管交替时,会产生交叉失真。为了防止集电极电流完全截止,应在推挽晶体管基极加微小的偏压。借助于示波器,可以观察波形对电阻参数的选择。
3.几点说明
(1)示波器法的特点在于直观,通过示波器可直接显示信号波形,也可以测量信号的瞬时值。
(2)不能用示波器去测量高压或大幅度脉冲部位,如电视机中显像管的加速极与聚集极的探头。
(3)当示波器接入电路时,注意它的输入阻抗的旁路作用。通常采用高阻抗、小输入电容的探头。
(4)示波器的外壳和接地端要良好接地。
逻辑推理检测方法
(一)、信号注入法
1.原理
信号注入法是将信号逐级注入电器可能存在故障的有关电路中,然后再利用示波器和电压表等测出数据或波形,从而判断各级电路是否正常的一种检测方法。
2.应用
信号注入法常用于检测收音机、录音机或电视机通道部分。对灵敏度低、声音失真等较复杂的故障,该方法检测起来十分有效。
信号注入法检测一般分两种:一种是顺向寻找法。它是把电信号加在电路的输入端,然后再利用示波器或电压表测量各级电路的波形的电压等,从而判断故障出在哪个部位;另一种是逆向检查法,就是把示波器和电压表接在输出端上,然后从后向前逐级加电信号,从而查出问题所在。
测试中需要强调的是:
(1)信号在什么地方出现,故障就可能在该测试之前,而不是之后。
(2)测试点越靠近扬声器,要求信号幅度也越大,这样才能激励扬声器到足够的音量。因些充分所用设备的性能是很重要的。
(3)音频放大器每级增益大约为20~30dB,即100~300倍。若某一级要求输入信号过大,则说明该增益太低,需作进一步地检查。
(4)如果信号加到某级上后,发现示波器上的波形有严重的失真,则说明失真可能发生在该级。
综上所述,采用信号注入法可以把故障孤立到某一部分或某一级。有时甚至能判断出是某一元件。例如:某耦合元件。对于故障判断出在某一部分时,可进一步通过别的检测方法检查、核实,从而找出故障之所在。
3.几点说明
(1)信号注入点不同,所用的测试信号不同。在变频级以前要用高频信号,在变频级到检波级之间应注入465千赫的信号,在检波级到扬声器之间应注入低频信号。
(2)注入的信号不但要注意其频率,还要选择它的电平。所加的信号电平最好与该点正常工作时的信号电平一致。
(3)因测试点与地之间有直流电位差,故信号发生器的输出端要加端直电容。
4)检测电路无论是高频放大电路,还是低频放大电路,都选择由基极或集电极注入信号。检修多级放大器,信号从前级逐级向后级检查,也可以从后级逐级向前级检查。
(二)、分割法
1.原理
分割法是把故障有牵连的电路从总电路中分割出来,通过检测,肯定一部分,否定一部分,一步步地缩小故障范围,最后把故障部位孤立出来的一种检测方法。
2.应用
分割法对电器电路是由多个模块或多个电路板及转插件组合起来的电路,应用起来较方便,例如:某电器的直流保险丝熔断,说明负载电流过大,同时导致电源输出电压下降。要确定故障原因,可将电流表串在直流保险丝处,然后应用分割法将怀疑的那一部分电路与总电路分割开。这时看总电流的变化,若分割开某部分电路后电流降到正常值,说明故障就在分割出来的电路中。
分割法依其分割法不同有对分法、特征点分割法、经验分割法及逐点分割法等。
所谓对分法,是指把整个电路先一分为二,测出故障在哪一半电路中;然后将有故障一半电路再一分为二,这样一次又一次分为二,直到检测出故障为止。
经验分割法则是根据人们的经验,估计故障在哪一级,那么将该级的输入、输出端作为分割点。
逐点分割法,是指按信号的传输顺序,由前到后或由后到前逐级加以分割。其实,在上面介绍的信号注入法已经采用了分割法。
应用分割法检测电路时要小心谨慎,有些电路不能随便断开的要给予重视,不然故障没排除,还会添新的故障。
3.几点说明
(1)分割法严格说不是一种独立的检测方法,而是要与其他的检测方法配合使用,才能提高维修效率,节省工时。
(2)分割法在操作中要小心谨慎,特别是分割电路时,要防止损坏元器件及集成电路和印刷电路板。
(三)、短路法
1.原理
短路法是用一只电容或一根跨接线来短路电路的某一部分或某一元件,使之暂时失去作用,从而来判断故障的一种检测方法。
2.应用
短路法主要适用于检修故障电器中产生的噪声、交流声或其他干扰信号等,对于判断电路是否有阻断性故障十分有效。
应用短路法检测电路过程中,对于低电位,可直接用短接线直接对地短路;对于高电位、应采用交流短路,即用20μF以上的电解电容对地短接,保证直接高电位不变;对电源电路不能随便使用短路法。
例如:有一台收音机噪声大,这时可用一只100μF电容器,从检波级开路将其输入、输出端短路接地,这样逐级往后进行。当短路某一级的输入端时,收音机仍有噪声,而短路其输出端即无噪声时,那么该级是噪声源也是故障级。从上述介绍中可看到,短路法实质上是一种特殊的分割法。
3.几点说明
(1)短路法只适用于噪声大的故障,对交流声和啸叫故障不适用。作为啸叫故障往往发生在环路范围内,在这一环路内任一处进行短接,将破坏自激的幅度条件,使啸叫声消失,导致无法准确搞清楚故障的具体部位。
(2)短路法检测主要是放大管的基极、发射极之间短接。不可采用集电极对地短路
(3)对于直耦式放大器,在短接一只管子时将影响其它晶体管的工作点,这点有时会引起误判
小结
各类电子设备总免不了出故障,又因电器设备的种类繁多,可能出现的毛病也千奇百怪。但就检测技术本身而言,还是有很强的规律性的。人们只要掌握了这些规律,又在实践中逐步日久天长地积累经验。就能迅速地判断出故障原因,准确有效地排除故障。
电子线路的检测方法很多,本章主要介绍了直观法、电阻法、电压法、电流法、代换试验法、分割法、短路法、信号注入法和示波器法共九种。实际检修中到底采用哪一种检测方法更有效要看故障电器的具体情况而定。
检修时通常先采用直观法,一些典型的故障,往往用直观法检测就能一举奏效。对于较隐蔽的故障,可以采用信号注入法或示波器法,其中信号注入法对收音机的音量及音质方面的故障较适合,而示波器法对失真或灵敏度差等故障更有效。
万用表的检测:它包括电阻法、电压法和电流法。这三种是检修方法中最基本、最重要的方法。通过万用表的检测,能为其它各种检修方法提供故障存在的准确的依据。
而有些故障不便于测试,常采用代换试验法、短路法和分割法。这些方法的应用,往往能把故障压缩到较小范围之内,使维修工作的效率提高。
这里要强调的是每一种检测方法都可以用来检测和判断多种故障;而同一种故障又可用多种检测方法来进行检修。检修电器故障时应灵活地运用本章介绍的各种检测方法,才能保证检测工作事半功倍。
总之,检修过程是一种综合性过程:它建立在对电路结构的深刻理解、正确无误地逻辑思维判断和熟练地操作技巧之上。只有认真掌握检修的一般规律,并不断地总结积累经验,初学者是不难学会检修各类常用电器设备的。
维修电工怎样入门?老师傅带您系统学习电气知识!看完就是高手!
目录:
一、维修电工概述
二、安全用电
三、电气识图
四、继电接触控制
五、PLC结构及控制原理
一、维修电工概述
1.定义:
从事机械设备和电气系统线路及器件的安装、调试与维护、修理的人员。
维修电工主要掌握:维修电工常识和基本技能,室内线路的安装,接地装置的安装与维修,常见变压器的检修与维护,各种常用电机的拆装与维修,常用低压电器及配电装置的安装与维修,电动机基本控制线路的安装与维修,常用机床电气线路的安装与维修,电子线路的安装与调试,电气控制线路设计,可编程控制器及其应用。
二、安全用电
随着电能应用的不断拓展,以电能为介质的各种电气设备广泛进入企业、社会和家庭生活中,与此同时,使用电气所带来的不安全事故也不断发生。为了实现电气安全,对电网本身的安全进行保护的同时,更要重视用电的安全问题。因此,学习安全用电基本知识,掌握常规触电防护技术,这是保证用电安全的有效途径。
电气危害有两个方面:一方面是对系统自身的危害,如短路、过电压、绝缘老化等;另一方面是对用电设备、环境和人员的危害,如触电、电气火灾、电压异常升高造成用电设备损坏等,其中尤以触电和电气火灾危害最为严重。触电它可直接导致人员伤残、死亡。另外,静电产生的危害也不能忽视,它是电气火灾的原因之一,对电子设备的危害也很大。
1.1 人身安全
1.触电危害
触电是指人体触及带电体后, 电流对人体
造成的伤害。 它有两种类型, 即电击和电伤。
1) 电伤-非致命的
电伤是指电流的热效应、 化学效应、 机械效应及电流本身作用造成的人体伤害。 电伤会在人体皮肤表面留下明显的伤痕, 常见的有灼伤、 电烙伤和皮肤金属化等现象。
2)电击
电击是指电流通过人体内部, 破坏人体内部组织, 影响呼吸系统、 心脏及神经系统的正常功能, 甚至危及生命。在触电事故中, 电击和电伤常会同时发生。
3)影响触电危险程度的因素
(1) 电流大小对人体的影响
通过人体的电流越大, 人体的生理反应就越明显, 感应就越强烈, 引起心室颤动所需的时间就越短, 致命的危害就越大。 按照通过人体电流的大小和人体所呈现的不同状态, 工频交流电大致分为下列三种:
① 感觉电流: 指引起人的感觉的最小电流(1-3mA) 。
②摆脱电流: 指人体触电后能自主摆脱电源的最大电流(10mA) 。
③致命电流: 指在较短的时间内危及生命的最小电流(30mA)。
2) 电流的类型
工频交流电的危害性大于直流电,因为交流电主要是麻痹破坏神经系统,往往难以自主摆脱。一般认为40~60 Hz的交流电对人最危险。随着频率的增加,危险性将降低。当电源频率大于2000 Hz时,所产生的损害明显减小,但高压高频电流对人体仍然是十分危险的。
(3)电流的作用时间
人体触电,当通过电流的时间越长,愈易造成心室颤动,生命危险性就愈大。据统计,触电1-5min内急救,90%有良好的效果,10分钟内60%救生率,超过15分钟希望甚微。
触电保护器的一个主要指标就是额定断开时间与电流乘积小于30mA.s。实际产品一般额定动作电流30 mA,动作时间0.1s,故小于30 mA.s可有效防止触电事故。
(4) 电流路径
电流通过头部可使人昏迷; 通过脊髓可能导致瘫痪; 通过心脏会造成心跳停止, 血液循环中断; 通过呼吸系统会造成窒息。 因此, 从左手到胸部是最危险的电流路径; 从手到手、 从手到脚也是很危险的电流路径; 从脚到脚是危险性较小的电流路径。
(5) 人体电阻
人体电阻是不确定的电阻,皮肤干燥时一般为100 KΩ左右,而一旦潮湿可降到1 KΩ 。人体不同,对电流的敏感程度也不一样,一般地说,儿童较成年人敏感,女性较男性敏感。患有心脏病者,触电后的死亡可能性就更大。
(6) 安全电压
安全电压是指人体不戴任何防护设备时,触及带电体不受电击或电伤。人体触电的本质是电流通过人体产生了有害效应,然而触电的形式通常都是人体的两部分同时触及了带电体,而且这两个带电体之间存在着电位差。因此在电击防护措施中,要将流过人体的电流限制在无危险范围内,也即将人体能触及的电压限制在安全的范围内。国家标准制定了安全电压系列,称为安全电压等级或额定值,这些额定值指的是交流有效值,分别为:42V、36V、24V、12V、6V等几种。
2. 常见的触电原因
人体触电主要原因有两种:直接或间接接触带电体以及跨步电压。直接接触又可分为单极接触和双极接触。
1) 单极触电
当人站在地面上或其他接地体上, 人体的某一部位触及一相带电体时, 电流通过人体流入大地(或中性线), 称为单极触电, 如图1.1所示。图1.1-1(a)为电源中性点接地运行方式时,单相的触电电流途径。图1.1-1(b)为中性点不接地的单相触电情况。一般情况下,接地电网里的单相触电比不接地电网里的危险性大。
a) 中性点直接接地 (b) 中性点不直接接地
2) 双极触电
双极触电是指人体两处同时触及同一电源的两相带电体, 以及在高压系统中, 人体距离高压带电体小于规定的安全距离, 造成电弧放电时, 电流从一相导体流入另一相导体的触电方式, 如图1.1-2所示。 两相触电加在人体上的电压为线电压, 因此不论电网的中性点接地与否, 其触电的危险性都最大。
双极触电
3) 跨步电压触电
当带电体接地时有电流向大地流散, 在以接地点为圆心, 半径20 m的圆面积内形成分布电位。 人站在接地点周围, 两脚之间(以0.8 m计算)的电位差称为跨步电压Uk, 如图1.1-3所示, 由此引起的触电事故称为跨步电压触电。高压故障接地处,或有大电流流过的接地装置附近都可能出现较高的跨步电压。离接地点越近、两脚距离越大,跨步电压值就越大。一般10米以外就没有危险。
4) 剩余电荷触电
剩余电荷触电是指当人触及带有剩余电荷的设备时, 带有电荷的设备对人体放电造成的触电事故。 设备带有剩余电荷, 通常是由于检修人员在检修中摇表测量停电后的并联电容器、电力电缆、 电力变压器及大容量电动机等设备时, 检修前、 后没有对其充分放电所造成的。
3. 防止触电
产生触电事故有以下原因:
(1) 缺乏用电常识, 触及带电的导线。
(2) 没有遵守操作规程, 人体直接与带电体部分接触。
(3) 由于用电设备管理不当, 使绝缘损坏, 发生漏电, 人体碰触漏电设备外壳。
(4) 高压线路落地, 造成跨步电压引起对人体的伤害。
(5) 检修中, 安全组织措施和安全技术措施不完善, 接线错误, 造成触电事故。
(6) 其他偶然因素, 如人体受雷击等。
1) 安全制度
(1) 在电气设备的设计、 制造、 安装、 运行、 使用和维护以及专用保护装置的配置等环中, 要严格遵守国家规定的标准和法规。
(2) 加强安全教育, 普及安全用电知识。
(3) 建立健全安全规章制度, 如安全操作规程、 电气安装规程、 运行管理规程、 维护检修制度等, 并在实际工作中严格执行。
2) 安全措施
(1) 停电工作中的安全措施。
在线路上作业或检修设备时, 应在停电后进行, 并采取下列安全技术措施:
① 切断电源。
② 验电。
③ 装设临时地线。
此外, 对电气设备还应采取下列一些安全措施:
① 电气设备的金属外壳要采取保护接地或接零。
② 安装自动断电装置。
③ 尽可能采用安全电压。
④ 保证电气设备具有良好的绝缘性能。
⑤ 采用电气安全用具。
⑥ 设立保护装置。
⑦ 保证人或物与带电体的安全距离。
⑧ 定期检查用电设备。
1.2 用电安全技术简介
低压配电系统是电力系统的末端,分布广泛,几乎遍及建筑的每一角落,平常使用最多的是380/220V的低压配电系统。从安全用电等方面考虑,低压配电系统有三种接地形式,IT系统、TT系统、TN系统。TN系统又分为TN—S系统、TN—C系统、TN—C—S系统三种形式。
1)IT系统
IT系统就是电源中性点不接地、用电设备外壳直接接地的系统,如图1.3-1所示。IT系统中,连接设备外壳可导电部分和接地体的导线,就是PE线。
IT接地
2)TT系统
TT系统就是电源中性点直接接地、用电设备外壳也直接接地的系统,如图1.3-2所示。通常将电源中性点的接地叫做工作接地,而设备外壳接地叫做保护接地。TT系统中,这两个接地必须是相互独立的。设备接地可以是每一设备都有各自独立的接地装置,也可以若干设备共用一个接地装置,图1.3-2中单相设备和单相插座就是共用接地装置的。
TT系统接地
3)TN 系统
TN系统即电源中性点直接接地、设备外壳等可导电部分与电源中性点有直接电气连接的系统,它有三种形式,分述如下。
(1)TN—S系统
TN—S系统如图1.3-3所示。图中中性线N与TT系统相同,在电源中性点工作接地,而用电设备外壳等可导电部分通过专门设置的保护线PE连接到电源中性点上。在这种系统中,中性线N和保护线PE是分开的。TN—S系统的最大特征是N线与PE线在系统中性点分开后,不能再有任何电气连接。TN—S系统是我国现在应用最为广泛的一种系统(又称三相五线制)。新楼宇大多采用此系统。
TN-S系统接地
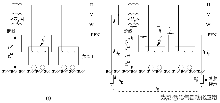
(2)TN-C系统
TN-C系统如图1.3-4所示,它将PE线和N线的功能综合起来,由一根称为保护中性线PEN,同时承担保护和中性线两者的功能。在用电设备处,PEN线既连接到负荷中性点上,又连接到设备外壳等可导电部分。此时注意火线(L)与零线(N)要接对,否则外壳要带电。 TN-C现在已很少采用,尤其是在民用配电中已基本上不允许采用TN—C系统。
TN-C系统接地
3)TN-C-S系统 TN-C-S系统是TN-C系统和TN—S系统的结合形式,如图1.3-5所示。TN-C-S系统中,从电源出来的那一段采用TN-C系统只起能的传输作用,到用电负荷附近某一点处,将PEN线分开成单独的N线和PE线,从这一点开始,系统相当于TN-S系统。TN-C-S系统也是现在应用比较广泛的一种系统。这里采用了重复接地这一技术。此系统在旧楼改造适用。
TN-C-S系统接地
为降低因绝缘破坏而遭到电击的危险,对于以上不同的低压配电系统型式,电气设备常采用保护接地、保护接零、重复接地等不同的安全措施。
保护接地、 工作接地、 重复接地及保护接零示意图
1、接地和接零保护
1) 接地保护
按功能分,接地可分为工作接地和保护接地。工作接地是指电气设备(如变压器中性点)为保证其正常工作而进行的接地;保护接地是指为保证人身安全,防止人体接触设备外露部分而触电的一种接地形式。在中性点不接地系统中, 设备外露部分(金属外壳或金属构架),必须与大地进行可靠电气连接,即保护接地。
接地装置由接地体和接地线组成,埋入地下直接与大地接触的金属导体,称为接地体,连接接地体和电气设备接地螺栓的金属导体称为接地线。接地体的对地电阻和接地线电阻的总和,称为接地装置的接地电阻。
保护接地常用在IT低压配电系统和TT低压配电系统的型式中。
(a) 无接地 (b) 有接地
2) 保护接零
保护接零是指在电源中性点接地的系统中,将设备需要接地的外露部分与电源中性线直接连接,相当于设备外露部分与大地进行了电气连接。使保护设备能迅速动作断开故障设备,减少了人体触电危险。
保护接零适用于TN低压配电系统型式。
保护接零的工作原理
当设备正常工作时,外露部分不带电,人体触及外壳相当于触及零线,无危险,如图 1 .3-8 所示。
保护接零原理图
采用保护接零时注意:
(1)同一台变压器供电系统的电气设备不宜将保护接地和保护接零混用,而且中性点工作接地必须可靠。
(2)保护零线上不准装设熔断器。
区别:将金属外壳用保护接地线(PEE)与接地极直接连接的叫接地保护;当将金属外壳用保护线(PE)与保护中性线(PEN)相连接的则称之为接零保护。
3) 重复接地
在电源中性线做了工作接地的系统中,为确保保护接零的可靠,还需相隔一定距离将中性线或接地线重新接地, 称为重复接地。
从图 1.3-9(a)可以看出,一旦中性线断线,设备外露部分带电,人体触及同样会有触电的可能。而在重复接地的系统中,如图 1.3-9(b)所示,即使出现中性线断线,但外露部分因重复接地而使其对地电压大大下降,对人体的危害也大大下降。不过应尽量避免中性线或接地线出现断线的现象。
重复接地作用
以上分析的电击防护措施是从降低接触电压方面进行考虑的。但实际上这些措施往往还不够完善,需要采用其它保护措施作为补充。例如,采用漏电保护器、过电流保护电器等措施。
2. 漏电保护开关
1)定义:漏电保护器(漏电保护开关)是一种电气安全装置。将漏电保护器安装在低压电路中,当发生漏电和触电时,且达到保护器所限定的动作电流值时,就立即在限定的时间内动作自动断开电源进行保护。
漏电保护为近年来推广采用的一种新的防止触电的保护装置。在电气设备中发生漏电或接地故障而人体尚末触及时, 漏电保护装置已切断电源; 或者在人体已触及带电体时,漏电保护器能在非常短的时间内切断电源,减轻对人体的危害。
2)种类:漏电保护器按不同方式分类来满足使用的选型。如按动作方式可分为电压动作型和电流动作型;按动作机构分,有开关式和继电器式;按极数和线数分,有单极二线、二极、二极三线等等。按动作灵敏度可分为: 高灵敏度:漏电动作电流在30mA以下; 中灵敏度:30~1000mA; 低灵敏度:1000mA以上。
注意:漏电保护器的接线 (1)无论是单相负荷还是三相与单相的混合负荷,相线与零线均应穿过零序互感器。 (2)安装漏电保护器时,一定要注意线路中中性线N的正确接法,即工作中性线一定要穿过零序互感器,而保护零线PE决不能穿过零序互感器。若将保护零线接漏电保护器,漏电保护器处于漏电保护状态而切断电源。即保护零线一旦穿过零序互感器 就再也不能用作保护线。
(3) 配电屏与控制屏的框架, 室内、 外配电装置的金属构架和钢筋混凝土构架, 安装在配电线路杆上的开关设备、 电容器等电力设备的金属外壳。
(4) 在非沥青路面的居民区中, 高压架空线路的金属杆塔、 钢筋混凝土杆, 中性点非直接接地的低压电网中的铁杆、 钢筋混凝土杆, 装有避雷线的电力线路杆塔。
(5) 避雷针、 避雷器、 避雷线等。
3、 电气设备的接地范围
根据安全规程规定, 下列电气设备的金属外壳应该接地或接零。
(1) 电机、 变压器、 电器、 照明器具、 携带式及移动式用电器具等的底座和外壳, 如手电钻、 电冰箱、 电风扇、 洗衣机等。
(2) 交流、 直流电力电缆的接线盒, 终端头的金属外壳, 电线、 电缆的金属外皮, 控制电缆的金属外皮, 穿线的钢管; 电力设备的传动装置, 互感器二次绕组的一个端子及铁心。
(3) 配电屏与控制屏的框架, 室内、 外配电装置的金属构架和钢筋混凝土构架, 安装在配电线路杆上的开关设备、 电容器等电力设备的金属外壳。
(4) 在非沥青路面的居民区中, 高压架空线路的金属杆塔、 钢筋混凝土杆, 中性点非直接接地的低压电网中的铁杆、 钢筋混凝土杆, 装有避雷线的电力线路杆塔。
(5) 避雷针、 避雷器、 避雷线等。
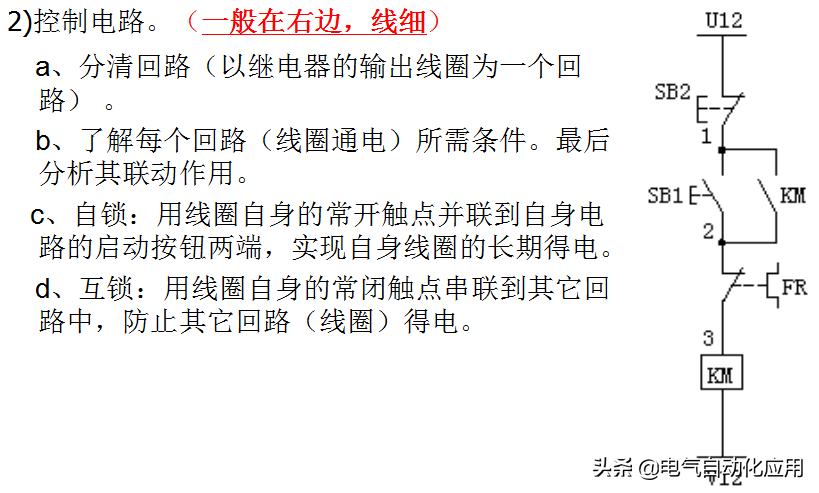
3 .1识读电气原理图的要点
(1) 看图纸说明: 图纸说明包括图纸目录、技术说明、 元件明细表和施工说明书等。看图纸说明有助于了解大体情况和抓住识读的重点。
(2) 分清电气原理图: 分清主电路和控制电路, 交流电路和直流电路。
(3) 识读主电路: 通常从下往上看, 即从电气设备(如电动机)开始, 经控制元件, 依次到电源, 搞清电源是经过哪些元件到达用电设备的。
(4) 识读控制电路: 通常从左向右看, 即先看电源, 再依次到各条回路, 分析各回路元件的工作情况及对主电路的控制关系。搞清回路构成、各元件间的联系、控制关系以及在什么条件下回路通路或断路,等等。
3)端子排,其作用:
a、实现电路中按钮、限位开关、指示灯(信号灯)接线(软线)和配电盘接触器及其它继电器接线(硬 线)实现连接的端子。
b、实现配线盘与配线盘之间的连接。
c、实现配线盘与电动机之间的连接。
四 继电-接触控制系统
4.1 三相异步电动机的基本控制电路
通过开关、按钮、继电器、接触器等电器触点的接通或断开来实现的各种控制叫做继电-接触器控制,这种方式构成的自动控制系统称为继电-接触器控制系统。典型的控制环节有点动控制、单向自锁运行控制、正反转控制、行程控制、时间控制等。
电动机在使用过程中由于各种原因可能会出现一些异常情况,如电源电压过低、电动机电流过大、电动机定子绕组相间短路或电动机绕组与外壳短路等等,如不及时切断电源则可能会对设备或人身带来危险,因此必须采取保护措施。常用的保护环节有短路保护、过载保护、零压保护和欠压保护等。
4.1.1 点动控制和直接起动控制
1、点动控制
按下按钮SB,接触器KM线圈通电,衔铁吸合,常开主触点接通,电动机定子接入三相电源起动运转。松开按钮SB,接触器KM线圈断电,衔铁松开,常开主触点断开,电动机因断电而停转。
合上开关QS,三相电源被引入控制电路,但电动机还不能起动。按下按钮SB,接触器KM线圈通电,衔铁吸合,常开主触点接通,电动机定子接入三相电源起动运转。松开按钮SB,接触器KM线圈断电,衔铁松开,常开主触点断开,电动机因断电而停转。
2、直接起动控制
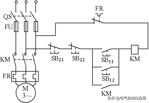
起动过程:按下起动按钮SBl,接触器KM线圈通电,与SB1并联的KM的辅助常开触点闭合,以保证松开按钮SBl后KM线圈持续通电,串联在电动机回路中的KM的主触点持续闭合,电动机连续运转,从而实现连续运转控制。
停止过程:按下停止按钮SB2,接触器KM线圈断电,与SBl并联的KM的辅助常开触点断开,以保证松开按钮SB2后KM线圈持续失电,串联在电动机回路中的KM的主触点持续断开,电动机停转。
与SBl并联的KM的辅助常开触点的这种作用称为自锁。
图示控制电路还可实现短路保护、过载保护和零压保护。
起短路保护的是串接在主电路中的熔断器FU。一旦电路发生短路故障,熔体立即熔断,电动机立即停转。
起过载保护的是热继电器FR。当过载时,热继电器的发热元件发热,将其常闭触点断开,使接触器KM线圈断电,串联在电动机回路中的KM的主触点断开,电动机停转。同时KM辅助触点也断开,解除自锁。故障排除后若要重新起动,需按下FR的复位按钮,使FR的常闭触点复位(闭合)即可。
起零压(或欠压)保护的是接触器KM本身。当电源暂时断电或电压严重下降时,接触器KM线圈的电磁吸力不足,衔铁自行释放,使主、辅触点自行复位,切断电源,电动机停转,同时解除自锁。
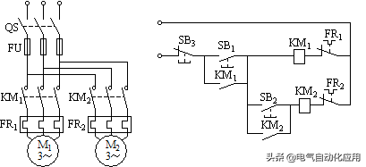
4.2 多地控制和顺序控制
1、多地控制
接线原则:所有的起动按钮并联,所有的停止按钮串联。
2、顺序控制
因为KM2线圈电路中串接有KM1的常开触点,所以M1未起动时,即KM1线圈未通电时,KM2线圈不可能通电,M2不可能起动;只有当按下SB1,KM1线圈通电,M1起动后,再按SB2,KM2线圈通电,M2才起动。当按下SB3时,KM1、KM2线圈同时断电,M1、M2同时停止运转。
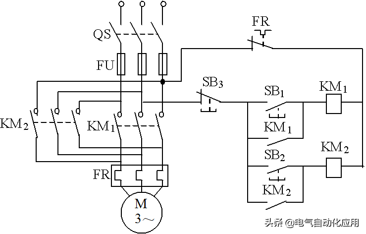
4.3 正反转控制
正向起动过程:按下起动按钮SBl,接触器KM1线圈通电,与SBl并联的KM1的辅助常开触点闭合,以保证KMl线圈持续通电,串联在电动机回路中的KM1的主触点持续闭合,电动机连续正向运转。
停止过程:按下停止按钮SB3,接触器KMl线圈断电,与SBl并联的KM1的辅助触点断开,以保证KMl线圈持续失电,串联在电动机回路中的KMl的主触点持续断开,切断电动机定子电源,电动机停转。
反向起动过程:按下起动按钮SB2,接触器KM2线圈通电,与SB2并联的KM2的辅助常开触点闭合,以保证KM2线圈持续通电,串联在电动机回路中的KM2的主触点持续闭合,电动机连续反向运转。
特别注意KM1和KM2线圈不能同时通电,因此不能同时按下SBl和SB2,也不能在电动机正转时按下反转起动按钮,或在电动机反转时按下正转起动按钮。如果操作错误,将引起主回路电源短路.
将接触器KM1的辅助常闭触点串入KM2的线圈回路中,从而保证在KMl线圈通电时KM2线圈回路总是断开的;将接触器KM2的辅助常闭触点串入KM1的线圈回路中,从而保证在KM2线圈通电时KMl线圈回路总是断开的。这样接触器的辅助常闭触点KMl和KM2保证了两个接触器线圈不能同时通电,这种控制方式称为联锁或者互锁,这两个辅助常开触点称为联锁或者互锁触点。
带电气联锁的正反转控制电路
存在问题:电路在具体操作时,若电动机处于正转状态要反转时必须先按停止按钮SB3,使联锁触点KMl闭合后按下反转起动按钮SB2才能使电动机反转;若电动机处于反转状态要正转时必须先按停止按钮SB3,使联锁触点KM2闭合后按下正转起动按钮SBl才能使电动机正转。
同时具有电气联锁和机械联锁的正反转控制电路
采用复式按钮,将SB1按钮的常闭触点串接在KM2的线圈电路中;将SB2的常闭触点串接在KMl的线圈电路中;这样,无论何时,只要按下反转起动按钮,在KM2线圈通电之前就首先使KM1断电,从而保证KM1和KM2不同时通电;从反转到正转的情况也是一样。这种由机械按钮实现的联锁也叫机械联锁或按钮联锁
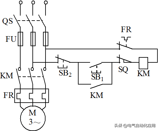
4.4 行程控制
4.4.1限位控制
当生产机械的运动部件到达预定的位置时压下行程开关的触杆,将常闭触点断开,接触器线圈断电,使电动机断电而停止运行。
4.4.2 自动往返控制
按下正向起动按钮SB1,电动机正向起动运行,带动工作台向前运动。当运行到SQ2位置时,挡块压下SQ2,接触器KMl断电释放,KM2通电吸合,电动机反向起动运行,使工作台后退。工作台退到SQl位置时,挡块压下SQl,KM2断电释放,KM1通电吸合,电动机又正向起动运行,工作台又向前进,如此一直循环下去,直到需要停止时按下SB3,KMl和KM2线圈同时断电释放,电动机脱离电源停止转动。
4.5 时间控制
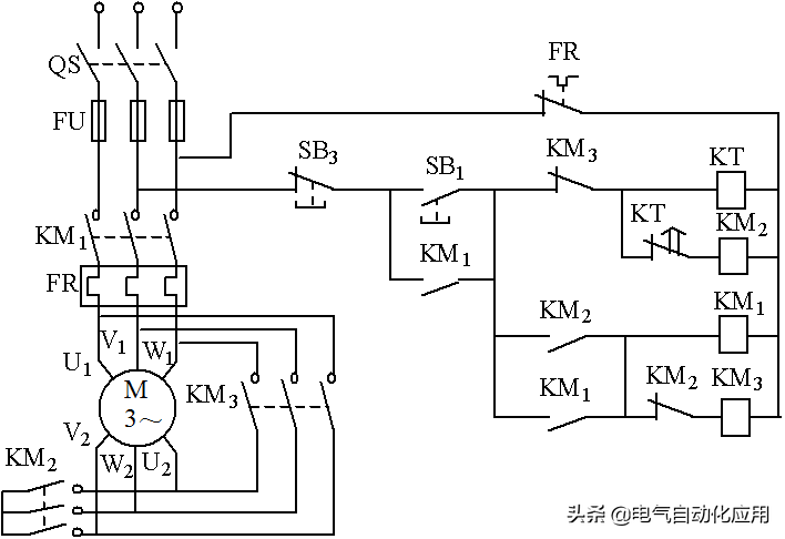
星形-三角形换接起动控制
按下起动按钮SBl,时间继电器KT和接触器KM2同时通电吸合,KM2的常开主触点闭合,把定子绕组连接成星形,其常开辅助触点闭合,接通接触器KMl。KMl的常开主触点闭合,将定子接入电源,电动机在星形连接下起动。KMl的一对常开辅助触点闭合,进行自锁。经一定延时,KT的常闭触点断开,KM2断电复位,接触器KM3通电吸合。KM3的常开主触点将定子绕组接成三角形,使电动机在额定电压下正常运行。与按钮SBl串联的KM3的常闭辅助触点的作用是:当电动机正常运行时,该常闭触点断开,切断了KT、KM2的通路,即使误按SB1,KT和KM2也不会通电,以免影响电路正常运行。若要停车,则按下停止按钮SB3,接触器KMl、KM2同时断电释放,电动机脱离电源停止转动。
五、 可编程序控制器综述 ( PLC 的发展与应用 )
5.1 可编程序控制器产生与发展
可编程序控制器广泛地应用于工业控制。它通过用户存储的应用程序来控制生产过程,具有可靠性高、稳定性和实时处理能力强的优点。可编程序控制器是把计算机技术与继电器控制技术有机结合起来,为工业自动化提供的几乎完美的现代化自动控制装置。
5.1.1接线程序控制系统
在现代化生产过程中,许多自动控制设备、自动化生产线,均需要配备电气控制装置。
电气控制装置的输入信号有按钮、开关、时间继电器、压力继电器、温度继电器、过流过压继电器;电气控制装置的输出信号有接触器、继电器、电磁阀。这些信号只有闭合与断开两种工作状态。这类物理量被称为开关量或数字信号。
另一类设备,其输入信号是压力传感器、温度传感器、湿度传感器等信号,输出信号是伺服电机、电动阀、距离、速度等控制信号。这类物理量是一种连续变化量,叫做模拟量或模拟信号。
以往的电气控制装置主要采用继电器、接触器或电子元件来实现,由连接导线将这些器件按照一定的工作程序组合在一起,以完成一定的控制功能,这种控制叫做接线程序控制。
接线程序控制的电气装置体积大,生产周期长,接线复杂,故障率高,可靠性差。控制功能略加变动,就需重新组合、改变接线。
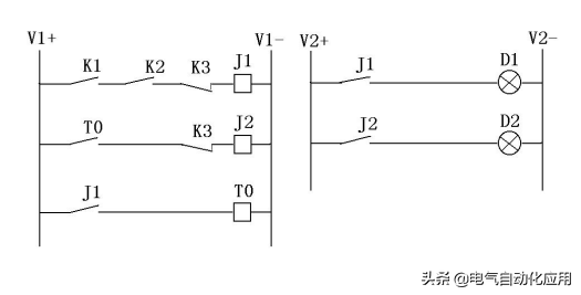
5.1.2存贮程序控制系统
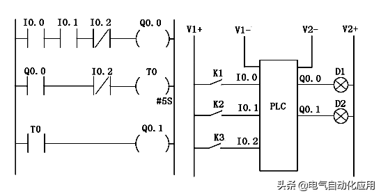
例如,有两个开关K1、K2。控制要求,只有两个开关都接通时小灯D1才亮。当D1亮2秒钟后小灯D2开始亮。当开关K3切断时两个小灯就同时熄灭。
(1) 接线程序控制
(2)存贮程序控制(PLC控制)
5.1.3 SIEMENS S7系列PLC网络系统
5.2 可编程序控制器应用
例1: 供料车控制
按下1号按钮,小车前进到1号位置停止,停10秒后返回原地。
按下2号按钮,小车前进到2号位置停止,停10秒后返回原地。
程序设计说明:
I0.0--原地 I0.1-- 1号位置 I0.2-- 2号位置
I0.3-- 1号按钮 I0.4-- 2号按钮
Q0.0—小车前进 Q0.1--小车返回
M0.0--小车前进到位停止标志
M0.1--小车到1号位前进标志
M0.2--小车到2号位前进标志
M0.3--小车返回原地后退标志
T0----小车停留时间
程序清单:
设计思路
2 程序图
例2 配料控制
设计思路
例3 S7系统配有PROFIBUS总线的网络
相关问答
家电维修入门先学什么?
如果您对家电维修感兴趣,以下是一些建议,帮助您入门:1.学习基础知识:了解家电的基本工作原理、组成和常见故障。可以通过网上教程、图书馆的书籍、视频教程...
新手学习维修家电看什么书?
电子线路基础,电视机原理与维修,洗衣机原理与维修,及一些小家电的原理与维修。新手刚开始从电子线路基础开始,把电子线路学好,从电子元器件及电子线路开始...
家电修理必看的书籍有哪些?-ZOL问答
以下列出几种家电维修必看的书籍:1.《家用电器维修实用大全》:此书包括各种常用家电的维修方法和注意事项,涵盖了电视机、冰箱、洗衣机、电脑等常见家电。2....
想学电器维修,如何入门呢?如何认识电路板的电路图?
本人从事家用电器维修20多年,理论基础扎实,实践比较丰富,也带过几个徒弟。回答你提的问题应该不难。如何入门?我的体会是:1、首先培养这方面的爱好。俗话...
电器维修方法和技巧?
(1)打开机壳之前的检查:观察电器的外表,看有无碰伤痕迹,机器上的按键、插口、电器设备的连线有元损坏等。(2)打开机壳后的检查:观察线路板及机内各种装...(1...
我是一个家电维修初学者,怎么看懂电路图?
看电路图最忌讳的是眉毛胡子一把抓。?因此最重要的是了解信号流程,即主信号的走向,或者说信号从哪里来去向是哪里。?如果是规范的原理图画法,它的信号走向时有...
如何让大家知道我是修家电的?
简而言之就是镶嵌zhi在微信内部dao的小网页,也可以称为是镶嵌在微信当中的一款简易版APP,支持公众号关联以及搜索查找等功能,比如在微信搜索“家电维修”,那么...
如何才能学会家电维修?
精通家电维修需要结合理论知识和实践经验。首先,查阅相关教材、在线课程或参加培训班,了解家用电器的原理和构造。其次,动手实践,拆卸和修理家电,逐渐积累...
家电维修学徒一般需要学多久可以自己维修?(空调冰箱洗衣机液晶电视)?
一般2~3年就可以出师了。具体要视你文化程度,你是否认真努力学,还得看你悟性,能否举一反三,融会贯通。一般2~3年就可以出师了。具体要视你文化程度,你是否...
三步法维修家电?
步骤一确认故障原因:首先需要仔细观察家电的状况,听取用户的问题描述,并根据自己的经验和知识去确定故障的可能原因。步骤二进行维修或更换:在确定故障原因...
